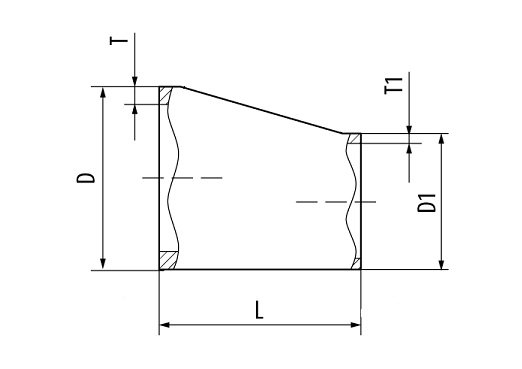
Переход эксцентрический
- ГОСТ: 17378-2001 ИСО 3419-81
- Марка стали: 12Х18Н10Т
- Аналог стали: AISI 321
- Длина: 100
- Диаметр, мм.: 133
- Диаметр D₁: 108
- Диаметр условный, мм.: 125
- Толщина стенки, мм.: 10
- Толщина стенки Т₁: 9
“Компания Северный Партнер” предлагает купить Переход эксцентрический по низкой цене.
-
Гарантируем высокое качество стали.
-
Обеспечиваем доставку по всему Казахстану.
Переходы предназначены для плавного изменения диаметра трубопровода. Применение стальных переходов соответствующего размера обеспечивает удобный монтаж трубопроводных магистралей при необходимости изменения параметров потока жидкой среды. Для соединения трубопроводов применяются стальные переходы соответствующей конструкции. По варианту конструктивного исполнения различают два типа переходов:
- Концентрические, обеспечивающие совмещение осей симметрии соединяемых трубопроводов;
- Эксцентрические, обеспечивающие соединение трубопроводов по нижней образующей линии.
- бесшовные
- точёные
- штампосварные
- литые.
Другая продукция раздела
Наименование
Диаметр
Диаметр D1
Остались вопросы?
Ответим на вопросы по любой нашей продукции, подберем наиболее подходящие, поможем с выбором, проконсультируем по любым вопросам. Задавайте, мы ждем!
Если неудобно, вы можете Заказать звонок
Приезжайте: Казахстан, г. Костанай, ул. Мауленова, дом 16/2


